2025.12.16 经验分享会
2025年12月16日下午,上海实邦电子科技有限公司开展了一次经验交流会,由王工和崔工一起分享了他们在工作中积累的一些经验。
首先是王工分享了----电池电量监测
电池电量监测
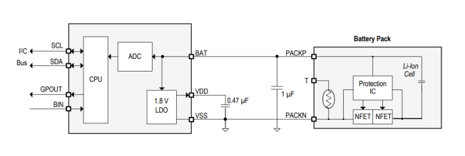
电压评估法
电池充电曲线
库仑计计数法(电流积分)
其中TI的产品线⽐较丰富,以下是常⻅型号。
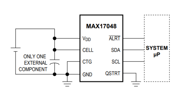
MAX17048
提供以下电池状态信息:
内置模型可以⽤于⼀般锂电池,也可更换模型,需联系原⼚。
应⽤电路略微复杂
剩余电量运⾏时间
低电量报警
提供以下电池状态信息:
对⽐
崔工分享了----Keil MDK中集成的Jansson库
Keil MDK 中集成的Jansson库是一款轻量级、开源的 C 语言 JSON 解析 / 生成库,专为嵌入式场景优化。
Jansson 本身的核心特性:
1. 轻量级:无依赖(仅标准 C 库),代码量小,RAM/ROM 占用低,适配嵌入式资源受限场景;
2. 完整的JSON支持:支持 JSON 标准(RFC 7159),包括对象、数组、字符串、数字、布尔、null。
3. 双模API:
(1) 简易API:快速解析 / 生成简单 JSON 数据。
(2) 通用API:灵活操作复杂 JSON 结构(增删改查)。
4. 内存安全:内置内存管理,自动释放(或手动控制),避免内存泄漏;
5. 错误处理:详细的错误信息(位置、类型),便于调试;
下载:
keilpack.azureedge.net/pack/Keil.Jansson.1.0.0.pack
简单添加方式:
核心API
实际使用:

提取数组时最好不要有小数,或者是格式统一

- 上一篇:电路分析之——双三极管多谐振荡器电路工作原理 2025/12/23
- 下一篇:2025.11.18 经验分享会 2025/11/28
