2025.2.25 经验分享会
2025年2月25日下午,上海实邦电子科技有限公司开展了一次经验交流会,由瞿工和闫工一起分享了他们在工作中积累的一些经验。
首先是瞿工分享了----硅光管信号采集及数字放大电路
一,普通的跨阻放大器电路:
(1)响应速度快:能够实时将输入电流转换为输出电压,对快速变化的信号响应迅速,适用于高频信号处理和需要快速响应的应用场景,如光通信中的光探测器信号处理。
(2)线性度好:输出电压与输入电流成线性关系,在一定的输入电流范围内,能够保持较好的线性度,便于后续的信号处理和分析
(3)微弱信号处理能力有限:对于非常微弱的输入电流信号,由于反馈电阻的热噪声等因素的影响,输出信号的信噪比可能较低,不利于对微弱信号的检测。
(4)抗噪声能力弱:对噪声比较敏感,容易受到外界噪声的干扰,特别是在处理微弱信号时,噪声可能会淹没有用信号。如果对采集速度有要求,后端的ADC采集频率需要高,软件内需要大量数据滤波。
二,光源使用氙灯,硅光管采集光,电路使用积分的跨阻放大芯片电路。
1,简单对比卤素灯和氙灯的区别:
卤素灯缺点:
(1)效率低:大部分能量以热能的形式散失,只有一小部分能量转化为光能,因此需要较大的功率才能获得足够的光强,会产生较多的热量,可能会影响酶标板上的反应体系,也增加了仪器散热的负担。
(2)寿命有限:虽然有卤钨循环延长灯丝寿命,但随着使用时间的增加,灯丝仍会逐渐损耗,导致亮度下降,需要定期更换灯泡。
(3)色温较低:发出的光颜色偏黄,色温一般在 2700K-3200K 之间,与自然光或理想的白色光源相比,颜色还原度不够理想,在一些对颜色准确性要求较高的检测中可能存在一定的局限性。
氙灯:
(1)高亮度和高光强:能够在短时间内产生非常强的光脉冲,提供很高的光能量,这对于检测一些微弱的荧光信号或化学发光信号非常有利,可以提高酶标仪的检测灵敏度,能够检测到更低浓度的目标物质。
(2)宽光谱范围:光谱覆盖范围广,从紫外到近红外都有较高的能量输出,可以满足不同检测项目对不同波长光的需求,具有很强的通用性,适用于多种荧光染料和化学发光底物的检测。
(3)快速响应:可以快速地开启和关闭,并且能够在短时间内达到稳定的光强输出,便于进行快速的检测和多波长的切换检测,提高了酶标仪的检测速度和效率。
(4)长寿命:在正常使用条件下,氙灯的使用寿命相对较长,一般可以达到10 年左右。
三,使用积分式跨阻放大器
1,如果继续使用普通的跨阻放大器采集就相对困难。这里使用使用积分放大器芯片IVC102U
2,IVC102U 简介:
IVC102U这款在传感器信号处理领域有着重要应用的芯片。IVC102U 主要用于将微弱 的电流信号转换为电压信号,其独特的基于电容积分的增益方式为信号处理带来了许多 优势。
闫工分享了----74及CD4000系列等数字逻辑芯片使用
1. 常规逻辑芯片
数字逻辑电路按功能进行划分,可以大概分为以下几类:门电路和反相器、选择器、译码器、计数器、寄存器、触发器、锁存器、缓冲驱动器等。
1.1 74系列3~5V(或更宽范围)
常用的74逻辑芯片
传统型:
74xx -标准型
4Fxx -F:Flash -高速
肖特基型:
74LSxx -LS:LOW SBD -低功耗肖特基
74ALSxx -ALS:ADVANCED LOW SBD -先进低功耗肖特基
74Sxx -S:SBD -肖特基
74ASxx -AS:ADVANCED SBD -先进肖特基
COMS型:
74HCxx -HC:HIGH-SPEED CMOS -高速COM
74HCTxx -HCT:HIGH-SPEED COMS TTL -高速TTL
74AHCxx -AHC:ADVANCED HIGH-SPEED CMOS -先进高速CMOS
74AHCTxx -AHCT:ADVANCED HIGH-SPEED CMOS TTL -先进高速TTL
74HCUxx -HCU:HIGH-SPEED COMS UNBUFFERED -无缓冲级的高速CMOS
常用型号的举例:
1. 计数器 74HC161(74LS191/0,74HC163)
2. 三八译码器 74hc238
3. 多路复用器 74HC257
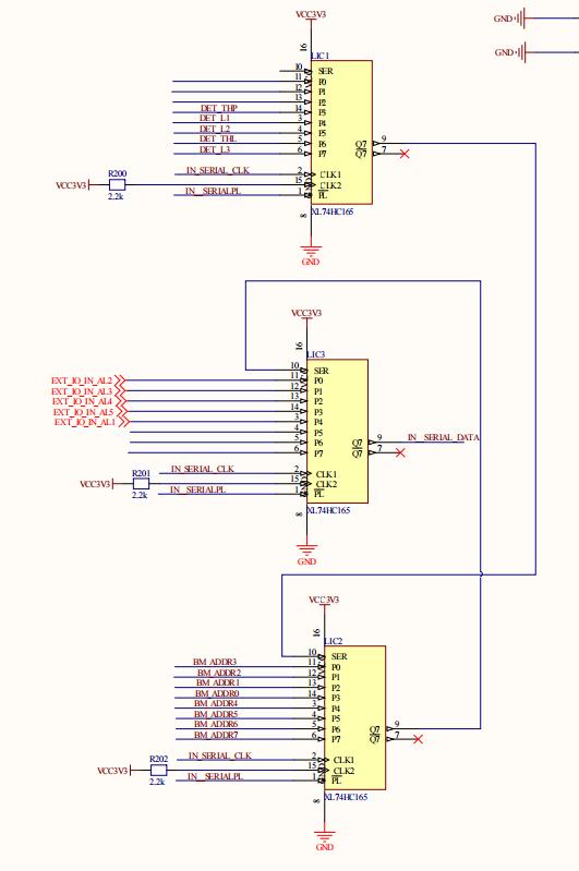
4. 74LS194(74HC165) 移位寄存器
5. 74LS83 带有快速进位的4位二进制全加法器
6. SN74HC574 具有三态输出的八路边沿 D 类触发器
7. 74HC273 具有清零功能的八路 D 类触发器
8. 74AHC244 具有三态输出的 8 通道、2V 至 5.5V 缓冲器
9. 74HC280 奇偶校验发生器/校验器
10. 74HC688 8位等值比较器
11. 74LS86 异或门
12. 74LS181 ALU
13. 74LS153 多路复用器
1.2 CD4000芯片系列3~15V(或更宽范围,带H型号工作电压为3~20V)

型号查找和模拟:
Proteus8.9或者Multisim
io扩展样例:

2. 可编程逻辑芯片
原理基于数电最小项(最大项很少用)或者查找表+触发器
2.1简单可编程(PAL,PLD)
参照PLA: TIFPLA839CFN芯片手册
2.2复杂/现场可编程(CPLD,FPGA)
CPLD最初基于乘积项的,最新的也有基于LUT的,内部有程序rom,不需要外部配置程序rom配置数据掉电不丢失(类似于MCU);FPGA基于查找表(Look-Up-Table) 的,内部无程序rom,程序掉电丢失,需要外部配置程序rom,以使配置数据掉电不丢失(类似于CPU);

- 上一篇:PCB设计安规丨电气间隙与爬电距离要点 2025/3/5
- 下一篇:分享一份关于RK3568裸机的SPL and DTB笔记 2025/2/18
